INGENIERIA


DISEÑO Y CALCULO
Las necesidades del proceso requieren del desarrollo de equipos y componentes, que ajusten su funcionalidad y rendimiento a lo esperado.


ESTUDIOS DE SUELOS
Planteamos un alto profesionalismo en la investigación de suelos, proyectos de caminos, control de calidad de hormigones y suelos haciendo análisis y ensayos de laboratorio, físicos y/o químicos, mecánica de rocas, estudios geológicos de prospección ,etc.




OBRAS CIVILES
Dentro de la organización contamos con el área de obras civil, como elemento de apoyos estructurales en cualquier planta de procesos. Estructuras especiales para equipos sometidos a esfuerzos de impacto,vibraciones y grandes cargas.Como así también ,diseño de presas , cilos.
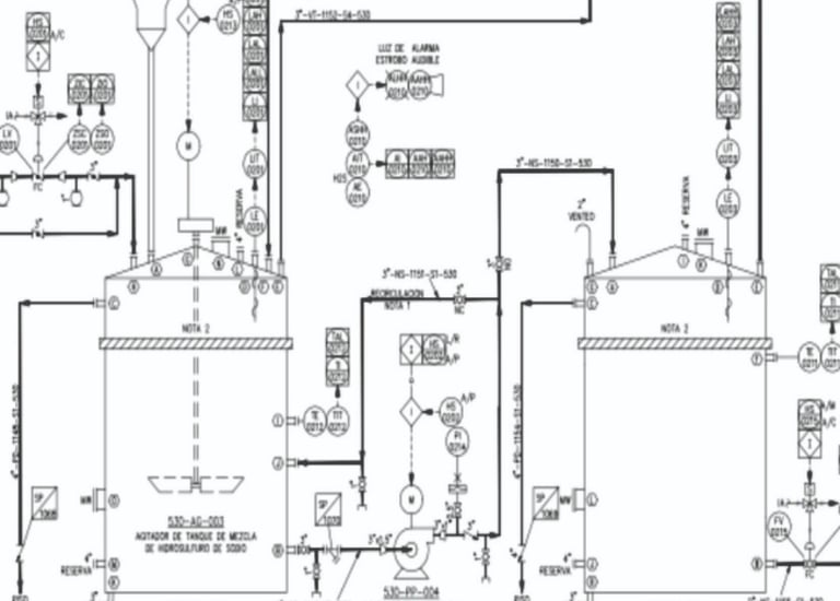
INGENIERÍA DE PROCESOS
Todo proceso industrial donde intervengan fenómeno físicos químicos es posible EL ANÁLISIS para mejorar su eficiencia.
→
→
→
→
ARQUITECTURA Y URBANISMO








Nos destacamos en proyectos de Arquitectura, domiciliaria, minera, industrial. Abordamos todas las fases de una obra de arquitectura, Proyecto – Dirección – Administración, y Seguridad. Urbanismo y Obra publica.

La planificación como herramienta política para la sociedad es fundamental para el crecimiento controlado de una ciudad parcial o totalmente urbanizadas :Es por ello que nuestros profesionales brindan el asesoramiento necesario para acompañar de manera responsable ese crecimiento, a través de una investigación real que nos permite dimensionar las potencialidades de cada área y el mejoramiento de la plusvalía de los sectores dotados de infraestructura.
PLANIFICACIÓN Y OBRAS PUBLICAS
AREA LEGAL
Asesoría en materias legales para el desarrollo de proyectos mineros, energéticos, industriales, infraestructura entre otras. Brindamos servicios legales multidisciplinarios de alta calidad y valor agregado a organismos públicos y empresas. Contamos con experiencia en contratos y negociaciones, manejo y comprensión de aspectos técnicos asociados a las respectivas especialidades y la coordinación con otras áreas de nuestra empresa.
RELACIONES COMUNITARIAS
Brindamos servicios de consultoría destinados a analizar el impacto socioeconómico de diversos proyectos, así como los conflictos socioambientales en el ámbito minero, urbano, energético, entre otras. Asesoramos para intervenir en conflictos con Gobiernos locales, compañías mineras y las comunidades afectadas.
Consultoría
Comunicate con nosotros.
Contactos
Envianos tu consulta
legales@consingsas.com
+54 2644510484
+54 1124695786
© 2024. All rights reserved.
